
Osłona natynkowa SPD-DC81 do stacji Spacetronik DiO SPD-DS81x
Solidna metalowa osłona pogodowa przeznaczona do stacji bramowych Spacetronik DiO z serii SPD-DS81x. Dzięki zastosowaniu tej osłony mamy możliwośc montażu stacji bramowej w formie natynkowej.
W zestawie
- Osłona Spacetronik DiO SPD-DC81
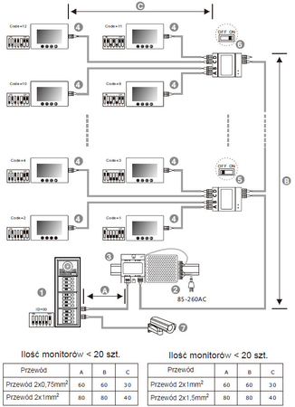
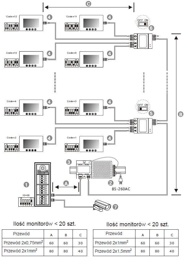
Przykładowa instalacja

1. Stacja zewnętrzna, gdy jest tylko jedna stacja domofonowa, bit-1, bit-2 i bit-3 powinny być ustawione na OFF
2. Zasilacz, MUSI być zainstalowany obok siebie z separatorem zasilania
3. Separator zasilania, MUSI być zainstalowany obok siebie z zasilaczem
4. Monitory - każdy z unikalnym kodem użytkownika, zauważ, że w tym przypadku wszystkie bit-6 powinny być ustawione na ON
5. Przełącznik rozdzielacza wideo przełącz na OFF, chyba że znajduje się na końcu linii
6. Ustaw przełącznik dystrybutora wideo na ON na końcu linii
7. Dodatkowa kamera
Podstawowe zalety systemu Spacetronik DiO
- całość systemu oparta na 2 żyłach (2-wire)
- brak polaryzacji
- wandaloodporna obudowa
- mozliwość montażu modułów na szynie DIN
- złącze wtykowe Plug-in
- konfiguracja i adresowanie przy użyciu przycisków funkcyjnych DIP
- możliwość rozszerzenia o kamerę
- możliwośc rozszerzenia o kartę SD
- zapis zdjęć i filmów
- proste wejście za pomocą breloków RFiD
Przykładowe schematy podłączenia systemu Spacetronik DiO

1. Podstawowe podłączenie
2. Podłączenie z kilkoma monitorami w jednym mieszkaniu (szeregowo)
3. Podłączenie z kilkoma stacjami
Instrukcja obsługi w j. polskim do pobrania >>TUTAJ<<
Instrukcja obsługi w j. angielskim do pobrania >>TUTAJ<<
















