
Spacetronik DiO SPD-DS901 Video-Türsprechstelle für einen Benutzer
Eine Video-Einzelsprechstelle mit eingebautem RFiD-Proximity-Leser, der es ermöglicht, den Eingang mit einer Karte oder einem Schlüsselanhänger zu öffnen. Die Sprechstelle zeichnet sich durch ein formschönes, vandalismusgeschütztes Gehäuse aus Aluminiumlegierung aus, in das der Proximity-Leser und das hinterleuchtete Schild integriert sind. Zu jeder Video-Türsprechanlage können weitere Schlüsselanhänger oder Karten hinzugefügt werden, was über die mitgelieferte Masterkarte geschieht. Die LED-Nachtbeleuchtung ermöglicht eine komfortable Nutzung bei schlechten Sichtverhältnissen.
Bequemer Lebensstil
Elegantes Design, einfache Bedienung und Funktionalität sind Eigenschaften, die die Spacetronik DiO Videosprechanlage beschreiben. Sprechen Sie mit Ihren Besuchern und schauen Sie sich diese genau an, bevor Sie sich entscheiden, die Tür zu öffnen. Das sorgt für Ihre Sicherheit und macht Ihr Leben bequemer. Die SPD-DS901 hat den Vorteil eines Weitwinkelobjektivs für 120° Beobachtung mit zusätzlicher Linsenverstellung nach oben und unten.

Einfache Installation
Die Installation der Video-Gegensprechanlage ist relativ einfach. Das hintere Gehäuse wird mit Dübeln an der Wand befestigt und das gesamte Gehäuse der Video-Gegensprechanlage wird daran angeschraubt. Ganz zum Schluss wird die Wetterschutzhaube angebracht.
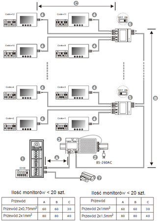
Aufbau des Gerätes

Installationsbeispiel

1. Türstation, wenn nur eine Sprechstelle vorhanden ist, sollten Bit-1, Bit-2 und Bit-3 auf AUS gesetzt werden
2. Spannungsversorgung, MUSS neben dem Leistungstrenner installiert werden
3. Stromtrenner, MUSS neben der Stromversorgung installiert werden
4. Monitore - jeder mit einem eindeutigen Benutzercode, beachten Sie, dass in diesem Fall alle Bits-6 auf EIN gesetzt werden müssen
5. Schalten Sie den Schalter des Videoverteilers auf OFF, es sei denn, er befindet sich am Ende der Leitung
6. Stellen Sie den Schalter des Videoverteilers am Ende der Linie auf ON
7. Zusätzliche Kamera
Technische Daten
- Außenstation
- 24 V DC Spannungsversorgung (vom Netzteil)
- Modell SPD-DS901 mit RFID-Funktionalität unterstützt 1 Benutzer
- IR Nachtsicht
- Werkstoff Aluminium
- Wetterfest IP65
- Objektiv 1.0 MP 3.6 mm, nach oben/unten verstellbar
- Weitwinkelkamera 170°
- Leistungsaufnahme - Standby 1W, Betrieb 5W
- Stromversorgung über den internen Monitor
- Betriebstemperatur -20C- + 55C
- Einbau Unterputz
- Abmessungen: 195x130x52 mm
- Abmessungen für die Montage: 185x110x33 mm
Enthalten
- Spacetronik DiO Video-Türsprechanlage SPD-DS901
- Anschlussdrähte
- Befestigungsstifte
- Proximity-Karten 2St. + Master 1St.
- Inbusschlüssel
- Bedienungs- und Installationsanleitung
Die wichtigsten Vorteile des Spacetronik DiO-Systems
- das gesamte System basiert auf 2 Drähten (2-Draht)
- keine Polarisierung
- vandalensicheres Gehäuse
- möglichkeit der Montage der Module auf DIN-Schiene
- steckbarer Anschluss
- konfiguration und Adressierung über DIP-Schalter
- erweiterbar mit einer Kamera
- erweiterbar mit SD-Karte
- aufzeichnung von Bildern und Videos
- einfacher Zugang über RFiD-Schlüsselanhänger
Beispiele von Schaltplänen des Spacetronik DiO-Systems


Bedienungsanleitung auf Polnisch zum Download >> HIER<<
https://s.spacetronik.pl/zdjecia_DMTRADE/katalogi/dio/ds901/DS90xPL.pdf
Englisches Benutzerhandbuch zum Download >>HIER<<
https://s.spacetronik.pl/zdjecia_DMTRADE/katalogi/dio/ds901/DS90xEN.pdf
















